一、竞赛项目名称
学校供配电设计竞赛
二、项目负责人
主持人:周庆华
参与人:凌文青
三、竞赛目的
1、增加学生对工厂供电学习的积极性
2、提高学生理论与实践相结合的能力
3、全面提升学生创新设计与实践应用的综合技能
四、竞赛时间
2024年12月16日至12月20日
(12月20日将竞赛图纸及电子文档交周庆华老师)
五、竞赛班级及指导教师
竞赛班级:23机电1、2、3、4班
指导教师:周庆华、凌文青
六、竞赛方式与内容
(一)竞赛方式
比赛以个人参赛方式进行
(二)竞赛内容
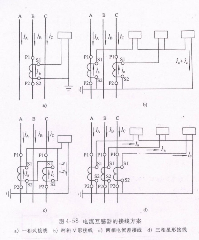
电流互感器接线方式原理图设计


根据电流互感器一相式接线、两相和式接线、两相差式接线、三相星形接线的接线图设计画出实际接线原理图。
七、评分标准
序号 | 内容 | 细则 | 分值 |
1 | 电流互感器接线方式原理图设计 | 电流互感器接线方式绘制准确 | 50分 |
2 | 绘图规范 | 50分 |
八、评奖方式
1.评委组成
周庆华、凌文青
2.奖项设定
一等奖一名,二等奖二名,三等奖三名,其他参与竞赛学生取得0.3学分。
2024年12月13日

皖公网安备号